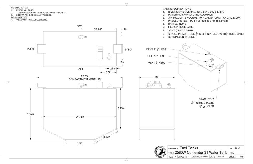
Contender 31 Fuel Tank Package
Includes:
- 128 gallon belly tank
- 80 gallon saddle tank pair
- 20 gallon freshwater tank
Known Fit:
- This tank design was reverse engineered to fit Contender 31 Open mid 2000’s. It may fit other years and similar make/models.
How to Order:
- Confirm that your old tank dimensions match our drawing and specifications.
- Use the order comments field on the checkout page to request any minor changes (e.g., fitting locations, bracket details, very minor dimensional changes).
- Complete the purchase online. Freight or ground shipping will be automatically calculated when you enter your address in the cart or checkout pages.
- After your completed purchase, we will send a detailed dimensional drawing for you to review and approve before we send the tank to production.
Standard on all tanks:
- Pickup tubes with 3/8″ NPT pickup ports and 3/8″ hose barbs.
- Vent fitting with 5/8″ hose barb
- Fill fitting with 1.5″ hose barb.
- KUS reed-style sending Unit (5-bolt SAE standard, 1.5″ FNPT optional)
- Mounting tabs and lifting eyes per your specification.
- Tab for tank bonding/grounding wire.
- Construction and testing per ABYC/USCG requirements
- Internal baffling
Options that do affect the price:
- Choose your tank thickness from the options below.
- Freight shipping vs local pickup.
- Additional tank penetrations and fittings other than standard.
Options do not affect the price:
- Changing location of top fittings.
- Changing the configuration of top fittings (e.g., hose barb size, orientations, etc.
- Minor dimensional changes (+/- 1in) in overall tank size.
- Changing, adding, or deleting the mounting brackets or lifting eye arrangement.
Add-ons purchased separately
This link will bring you to our fuel system parts and accessories for items you can purchase to complete your new fuel tank installation.
- Fuel hose and hose accessories
- Shut-off and anti-siphon valves
- Inspection hatches
- Installation tools












